1.9. Усилители электрические
1.9.1. Усилитель постоянного тока (УПТ)
Общие сведения об усилителях находятся в разделе 1.6.4.
Усилитель постоянного тока (УПТ) — электронный усилитель, рабочий диапазон частот которого включает нулевую частоту (постоянный ток).
На верхнюю границу частотного диапазона усилителя никаких ограничений не накладывается, то есть она может находиться в области очень высоких частот. Таким образом, термин УПТ можно применять к любому усилителю, способному работать на постоянном токе.
В подавляющем большинстве случаев УПТ является усилителем не тока, как следует из названия, а напряжения. Путаница обусловлена тем, что термин ток употребляется для описания электрических процессов вообще.
Усилительный каскад с общей базой (ОБ) — одна из трёх типовых схем построения электронных усилителей на основе биполярного транзистора. Характеризуется отсутствием усиления по току (коэффициент передачи близок к единице, но меньше единицы), высоким коэффициентом усиления по напряжению и умеренным (по сравнению со схемой с общим эмиттером) коэффициентом усиления по мощности. Входной сигнал подаётся на эмиттер, а выходной снимается с коллектора. При этом входное сопротивление очень мало, а выходное — велико. Фазы входного и выходного сигнала совпадают.
Особенностью схемы с общей базой является минимальная среди трёх типовых схем усилителей «паразитная» обратная связь с выхода на вход через конструктивные элементы транзистора. Поэтому схема с общей базой наиболее часто используется для построения высокочастотных усилителей, особенно вблизи верхней границы рабочего диапазона частот транзистора.
Достоинствами схемы являются стабильные температурные и частотные свойства, то есть параметры схемы(коэффициент усиления напряжения, тока и входное сопротивление) остаются неизменными при изменении температуры окружающей среды.
Недостатками схемы являются малое входное сопротивление и отсутствие усиления по току.
Коэффициент усиления по току: Iвых/Iвх=Iк/Iэ=α [α<1]
Входное сопротивление Rвх=Uвх/Iвх=Uбэ/Iэ.
Входное сопротивление для схемы с общей базой мало и не превышает 100 Ом для маломощных транзисторов (для мощных - ещё меньше), так как входная цепь транзистора при этом представляет собой открытый эмиттерный переход транзистора.
Достоинства:
- Хорошие температурные и частотные свойства.
- Высокое допустимое напряжение
Недостатки:
- Малое усиление по току, так как α < 1
- Малое входное сопротивление
- Два разных источника напряжения для питания.
Рис 1. Усилительный каскад по схеме с общей базой на основе npn-транзистора
1.9.2. Усилитель низкой частоты (УНЧ)
Усилитель звуковой частоты (УЗЧ), усилитель низкой частоты (УНЧ) усилитель мощности звуковой частоты (УМЗЧ) — прибор (электронный усилитель) для усиления электрических колебаний, соответствующих слышимому человеком звуковому диапазону частот, таким образом к данным усилителям предъявляется требование усиления в диапазоне частот от 20 до 20 000 Гц по уровню −3 дБ, лучшие образцы УЗЧ имеют диапазон от 0 Гц до 200 кГц, простейшие УЗЧ имеют более узкий диапазон воспроизводимых частот.
Усилители низкой частоты наиболее широко применяются для усиления сигналов, несущих звуковую информацию, в этих случаях они называются также усилителями звуковой частоты. Кроме этого УНЧ используются для усиления информационного сигнала в различных сферах: измерительной технике и дефектоскопии; автоматике, телемеханике и аналоговой вычислительной технике; в других отраслях электроники. Усилитель звуковых частот обычно состоит из предварительного усилителя и усилителя мощности (УМ). Предварительный усилитель предназначен для повышения мощности и напряжения и доведения их до величин, нужных для работы оконечного усилителя мощности, зачастую включает в себя регуляторы громкости, тембра или эквалайзер, иногда может быть конструктивно выполнен как отдельное устройство. Усилитель мощности должен отдавать в цепь нагрузки (потребителя) заданную мощность электрических колебаний. Его нагрузкой могут являться излучатели звука: акустические системы (колонки), наушники; радиотрансляционная сеть или модулятор радиопередатчика. Усилитель низких частот является неотъемлемой частью всей звуковоспроизводящей, звукозаписывающей и радиотранслирующей аппаратуры.
Классификация по режиму работы выходного каскада.
В зависимости от режима работы выходного каскада усилители делятся на:
класс, или режим « A » — режим работы, в котором каждый активный прибор (лампа или транзистор) выходного каскада всегда работает в линейном режиме. При воспроизведении гармонических сигналов угол отсечки активного прибора равен 360°: прибор никогда не закрывается и, как правило, никогда не переходит в режим насыщения или ограничения тока. Все линейные однотактные усилители работают в режиме А.
класс « AB » — режим работы двухтактного каскада, промежуточный между режимами А и В. Угол отсечки каждого активного прибора существенно больше 180°, но меньше 360°.
класс « B » — режим работы двухтактного каскада, в котором каждый активный прибор воспроизводит с минимальными искажениями сигнал одной полярности (либо только положительные, либо только отрицательные значения входного напряжения). При воспроизведении гармонических сигналов угол отсечки активного прибора равен 180° или несколько превышает это значение. Для уменьшения нелинейных искажений при переходе сигнала через ноль выходные лампы или транзисторы работают с небольшими, но не нулевыми токами покоя.
Установка нулевого тока покоя переводит каскад из режима B в режим С : угол отсечки уменьшается до менее 180°, при переходе через ноль оба плеча двухтактной схемы находятся в отсечке. Режим С в звуковой технике не применяется из-за недопустимо высоких искажений.
класс « D » — режим работы каскада, в котором активный прибор работает в ключевом режиме. Управляющая схема преобразует входной аналоговый сигнал в последовательность импульсов промодулированных по ширине (ШИМ), управляющих мощными выходным ключом (ключами). Выходной LC-фильтр, включённый между ключами и нагрузкой, усредняет импульсный сигнал от ключей, восстанавливая звуковой сигнал.
Режиму А свойственны наилучшая линейность при наибольших потерях энергии, режиму D — наименьшие потери при удовлетворительной линейности.
          
        
Рис 1. Структурная схема усилителя класса D.
Входной звуковой сигнал и сигнал дополнительного генератора пилообразного напряжения подаются на аналоговый компаратор (С), формирующий ШИМ ( Широтно-импульсная модуляция — процесс управления мощностью, подводимой к нагрузке, путём изменения скважности импульсов, при постоянной частоте.) прямоугольное колебание, далее усиливаемое силовыми ключами и подаваемое на громкоговоритель через LC-фильтр нижних частот. Частота пилообразного сигнала выбирается много больше самой верхней частоты в спектре звукового сигнала.
          
        
Рис 2. Углы отсечки полуволны сигнала в различных режимах
1.9.3. Усилитель промежуточной частоты (УПЧ) ( схема с общей базой, схема с общим эммитером )
Усилитель промежуточной частоты (УПЧ) — электронный усилитель сигнала промежуточной частоты.
Применяется в трактах радиоприёмных и радиопередающих устройств, измерительных приборов. Широко используются при построении систем связи, радиолокации, радионавигации. Благодаря применению УПЧ достигается полная развязка между каскадами усиления в многокаскадных усилителях. Без применения УПЧ даже слабые наводки, создаваемые верхними каскадами усилителя, попадая в нижние каскады, вызвали бы эффект самовозбуждения колебаний, сделав невозможной работу усилителя.
На рисунке приведена практическая схема усилителя промежуточной частоты с одним источником питания. Нагрузкой усилителя является резонансный контур С 3 L 1 с трансформаторной связью. С 1 – входной разделительный конденсатор, резисторы R 1 и R 2 образуют цепь смещения по постоянному току, R 3 — эмиттерный резистор. Развязывающий конденсатор С 2 обеспечивает сохранение на базе транзистора нулевого потенциала по переменному току. В данном случае развязывающий конденсатор присоединен к положительной шине источника питания, а не с шасси. Это допустимо, поскольку по переменному току (то есть для переменного сигнала) потенциал этой шины равен нулю. Потенциалы положительной шины источника питания и шасси отличаются только по постоянному току.
          
         
           
         
        
Рис 3. Одноконтурный каскад УПЧ по схеме с общим эммитером (ОЭ).
1.9.4. Усилительный каскад ( на квадратиках схема, его характеристики )
Каскад с общим эмиттером.
Рис 4. Усилительный каскад по схеме с общим эмиттером на основе npn-транзистора (Схема с заземленным эмиттером)
При схеме включения биполярного транзистора с общим эмиттером (ОЭ) входной сигнал подаётся на базу, но снимается с коллектора. При этом выходной сигнал инвертируется относительно входного (для гармонического сигнала фаза выходного сигнала отличается от входного на 180°). Каскад усиливает и ток, и напряжение. Данное включение транзистора позволяет получить наибольшее усиление по мощности, поэтому наиболее распространено. Однако, при такой схеме нелинейные искажения сигнала больше, чем в схемах с общей базой или с общим коллектором. Кроме того, при данной схеме включения на характеристики усилителя значительное влияние оказывают внешние факторы, такие как напряжение питания или температура окружающей среды. Обычно для компенсации этих факторов применяют отрицательную обратную связь, но она снижает коэффициент усиления.
Биполярные транзисторы управляются током. В схеме с ОЭ — током базы. Напряжение на переходе база-эмиттер при этом остаётся почти постоянным и зависит от материала полупроводника, для германия около 0,2 В, для кремния около 0,7 В, но на сам каскад подаётся управляющее напряжение. Ток базы, коллектора и эмиттера и другие токи и напряжения в каскаде можно вычислить по закону Ома и правилам Кирхгофа для разветвлённой многоконтурной цепи.
Токи в транзисторе связаны нижеследующими соотношениями:
по правилу Кирхгофа для узлов алгебраическая сумма всех трёх токов ( Ie, Ic, Ib ) равна нулю
          
        
          
        
          , где
         , где
        
          — коэффициент усиления транзистора по току в схеме с общим эмиттером,
         — коэффициент усиления транзистора по току в схеме с общим эмиттером,
        
          — коэффициент передачи тока эмиттера.
         — коэффициент передачи тока эмиттера.
        
Коэффициент усиления по току: Iвых/Iвх=Iк/Iб=Iк/(Iэ-Iк) = α/(1-α) = β [β>>1]
Входное сопротивление: Rвх=Uвх/Iвх=Uбэ/Iб
Достоинства:
Большой коэффициент усиления по току
Большой коэффициент усиления по напряжению
Наибольшее усиление мощности
Можно обойтись одним источником питания
Выходное переменное напряжение инвертируется относительно входного.
Недостатки:
Худшие температурные и частотные свойства по сравнению со схемой с общей базой
Простейший усилительный каскад с общим эмиттером
         
           
         
        
Рис 5.
Простейший каскад с общим эмиттером и его подключение к источнику сигнала и нагрузке
На рисунке изображён простейший каскад с общим эмиттером и его подключение к источнику сигнала и нагрузке.
Каскад состоит из:
биполярного транзистора VT1 ;
резистора R Б, который задаёт точку покоя каскада по постоянному току;
резистора R К, который преобразует меняющийся ток коллектора в синхронно изменяющееся напряжение на коллекторе, а также участвует в задании напряжения покоя на коллекторе.
Для удаления постоянной составляющей входного сигнала источник подключается ко входу каскада через разделительную ёмкость C Р1. С той же целью выход каскада подключается к нагрузке R Н через ёмкость C Р2. Поскольку ёмкости вносят во входную и выходную цепи дополнительное реактивное сопротивление, они искажают сигнал, однако выбором достаточно больших величин ёмкости эти искажения сводятся к минимуму. Нагрузка, изображённая в виде сопротивления R Н может представлять собой устройства различного назначения — динамик, индикатор, вход другого усилительного каскада и т. д.
Режим работы каскада.
В активном режиме транзистор VT1 открыт, напряжение на базе относительно эмиттера U BE меняется слабо и составляет примерно 0,2 В для германиевых и 0,7 В для кремниевых транзисторов. Примерное постоянство напряжения U BE объясняется тем, что зависимость U BE( I B) логарифмическая, и в широком диапазоне изменении тока базы I B напряжение U BE меняется очень мало.
С учётом этого в режиме напряжение на коллекторе при фиксированном R С полностью определяется сопротивлением R B:
          
          
        
где β — коэффициент усиления по току транзистора VT1 в схеме с общим эмиттером.
Таким образом, чтобы в режиме покоя обеспечить на коллекторе напряжение U C, при известном R C необходимо взять сопротивление в цепи базы R B равным
          
        
Входное и выходное сопротивления каскада.
Входное R in и выходное R out сопротивления каскада равны
          
        
          
        
где r B и r C — сопротивления базы и коллектора транзистора соответственно (справочные величины).
Усиление сигнала.
Сигнал источника U G поступает на вход каскада через последовательно соединённые внутреннее сопротивление источника R G и входное сопротивление каскада R in, создавая входной ток
          
        
Учитывая, что по переменному току нагрузкой в цепи коллектора является сопротивление
          
        
выходное напряжение каскада можно записать как
          
        
а коэффициент усиления по напряжению
          
        
При положении рабочей точки в середине входных величин на проходной характеристике каскад с ОЭ имеет одно центральное устойчивое состояние, отклонения от центрального состояния и крайние состояния — неустойчивы, каскад при этом является усилителем гармонических сигналов.
1.9.5. Многокаскадный усилитель ( на квадратиках схема, его характеристики )
На практике в устройствах промышленной электроники в большинстве случаев для получения необходимой полезной выходной мощности в нагрузке одного каскада недостаточно. Поэтому применяют многокаскадные усилители, собираемые из нескольких последовательно соединенных одиночных усилительных каскадов. В блок-схеме в качестве датчиков, преобразующих почти любой неэлектрический сигнал во входной электрический сигнал могут использоваться различные источники ЭДС, например микрофон, антенна, фотоэлемент, фотодиод, фоторезистор, фотоэлектронный умножитель, терморезистор, тензорезистор, тахогенератор, пьезоэлектрический преобразователь, считывающая головка с магнитофонной, перфорированной или фотографической ленты, биотоки, индуктивные или емкостные датчики давления, перемещения, плотности уровня и т. д.
В качестве нагрузки можно подключать в выходную цепь каскада УМ комплексные активно-реактивные нагрузки (R, RL, RС, РСL), например обмотку громкоговорителя, фидерную или абонентскую сеть, самописец, обмотку электромагнитного реле, или шагового (искателя) двигателя, или электроконтактора, обмотку возбуждения электродвигателя, различные контрольно-измерительные приборы, блоки развертки луча осциллографа или телевизора, световые индикаторы и т. д.
В блок-схеме многокаскадного усилителя первый входной каскад t предназначен для согласования сопротивления датчика входного сигнала со входным сопротивлением усилителя при одновременном усилении входного сигнала по току или напряжению.
          
        
Рис 6. Блок-схема многокаскадного усилителя.
Последний - оконечный, или выходной, каскад является каскадом усиления мощности, передаваемой в полезную нагрузку.
Все остальные промежуточные каскады, включая предоконечный каскад, обеспечивают усиление полезного сигнала по напряжению или току до величины, необходимой для оптимальной работы выходного каскада, при которой отбирается в нагрузку максимально возможная полезная мощность каскада при допустимой величине нелинейных искажений.
На блок-схеме пунктиром показаны цепи отрицательной обратной связи b1 и b2, которые, уменьшая коэффициент усиления, улучшают другие более важные качественные показатели усилительного устройства.
Многокаскадные усилители характеризуются следующими признаками, параметрами и характеристиками. По разным признакам различают:
1) усилители на электронных усилительных лампах, на транзисторах, на тиристорах, на туннельных диодах, на микросхемах и т. п.;
2) по количеству усилительных каскадов - двух-, трех- и более каскадные усилители;
3) по частотным свойствам - усилители напряжения или тока низкой частоты (НЧ), высокой частоты (ВЧ), промежуточной частоты (ПЧ), ультразвуковой частоты (УЗКЧ), узкополосные и широкополосные усилители, усилители постоянного тока (УПТ);
4) по виду межкаскадной связи - усилители с RС-связью, в которых применяются разделительные конденсаторы между каскадами; усилители с трансформаторной связью между каскадами; усилители с полосовым колебательным контуром связи между каскадами; усилители с непосредственной гальванической связью между каскадами;
5) по виду используемой последовательной или параллельной отрицательной обратной связи по напряжению или току;
6) по режимам работы в классах А, В, АВ, С, Д;
7) по соотношению величины входного сопротивления первого каскада Rвх к-да, сравнительно с величиной сопротивления датчика Rг входного сигнала различают: а) режим холостого хода (хх), когда Rвх к-да >> Rг; б) режим короткого замыкания (кз), когда Rвх к-да << Rг; в) режим согласования, когда Rвх к-да » Rг, при котором от датчика входного сигнала передается на вход усилителя наибольшая входная мощность сигнала;
8) по соотношению величины выходного сопротивления со стороны выходных клемм усилителя сравнительно с величиной сопротивления нагрузки Rн различают следующие режимы работы:
а) режим хх, когда Rвых << Rн;
б) режим кз, когда Rвых >> Rн;
в) режим согласования, когда Rвых » Rн.
Основные характеристики многокаскадных усилителей:
1. Амплитудная характеристика , показывающая зависимость величины выходного напряжения усилителя от величины входного напряжения при постоянной частоте усиливаемого сигнала, то есть Uвых = f(Uвх) при f = = соnst » 400 или 1000 Гц (рис. 2, а). Чтобы нелинейные искажения не превышали допустимой величины, используется только линейный участок амплитудной характеристики.
Наличие внутренних шумовых помех приводит к тому, что при отсутствии входного сигнала (Uвх = 0) на выходе усилителя имеется выходное напряжение Uвых = Uшума.
2. Частотная ( или амплитудно-частотная ) характеристика , показывающая зависимость величины коэффициента усиления усилителя от частоты входного сигнала при неизменной величине входного напряжения, то есть К = Uвых / Uвх = j(f) при Uвх = соnst.
На частотной характеристике, показанной на рис. 2, б, различают три области: а) область низкой частоты; б) область средней частоты; в) область верхней частоты.
          
        
Рис 7. Характеристики усилителей: а - амплитудная; б - частотная (или амплитудно-частотная); в - фазовая
Эта характеристика показывает, что наибольшее усиление полезного сигнала происходит в области средних частот, а в областях низкой и верхней частот происходит завал характеристики, обусловленный реактивными (емкостными) элементами в схеме усилителя.
На этом графике показана рабочая полоса частот в пределах от верхней граничной частоты до нижней граничной частоты, то есть Df = fв гран - fн гран, где завал частотной характеристики не превышает допустимую величину более чем на 30% от коэффициента максимального усиления. Обычно ось абсцисс частотной характеристики строят в логарифмическом масштабе, чтобы очень сильно не растягивать график.
3. Фазовая характеристика , показывающая величину угла сдвига фазы j между фазой выходного сигнала и фазой входного сигнала в зависимости от частоты сигнала, то есть j = y(f).
На графике (рис. 2, в) видно, что фазовый угол сдвига j между выходным и входным напряжениями в области средних частот примерно равен нулю, а в областях нижней и верхней частот допустимая величина этого угла примерно равна j » p/4 = 45°.
Нужно иметь в виду, что фазовые искажения связаны с наличием реактивных элементов (емкостей и индуктивностей) в схемах усилительных устройств. Фазовые искажения существенное значение имеют в осциллографической, телевизионной, радиолокационной, импульсной и т. п. технике. В усилителях звуковой частоты они не оказывают заметного влияния на восприятие звукового сигнала человеком.
Параметры многокаскадных усилителей:
1. Общий коэффициент усиления по напряжению
Кu = Uвых / Uвх = Um вых / Um вх ,
где Uвх и Umвх обозначают соответственно действующие и амплитудные значения выходных и входных напряжений усиливаемого сигнала.
В ламповых схемах усилителей, а также в усилителях на полевых униполярных транзисторах, у которых входное сопротивление каскада значительно больше внутреннего сопротивления датчика входного сигнала, то есть Rвх к-да >> Rг, то можно принять Uвх » Ег, где Ег - ЭДС датчика сигнала.
Однако в транзисторных усилителях, у которых Rвх к-да < Rг, при необходимости определяют коэффициент усиления усилителя по напряжению относительно величины ЭДС Ег датчика как генератора входного сигнала. При этом Кu = Uвых / Ег. Если усилитель содержит несколько последовательно включенных каскадов, то общий коэффициент усиления будет равен произведению коэффициентов усиления всех каскадов, то есть
Кu = Uвых / Uвх = Кu1 * Кu2 ... Кun.
2. Коэффициент усиления по току
Кi = Im вых / Im вх = Iвых / Iвх ,
где Iвых - ток в нагрузке, Iвх - ток во входной цепи усилителя.
3. Коэффициент усиления по мощности
Кp = Кi * Кu = Рвых / Рвх,
где Рвых - полезная мощность, выделяемая в нагрузке; Рвх полезная мощность, расходуемая во входной цепи усилителя.
4. Если коэффициенты усиления усилителя выражены в децибелах, то расчетные формулы имеют следующий вид:
Кu(дб) = 20lgКu; Кi(дБ) = 20lgКi; Кр(дБ) = 10lgКр.
Некоторые соотношения для перевода безразмерных Кu в коэффициенты усиления, выраженные в децибелах Кu(дБ), приведены в таблице:
| Кu Кu(дБ) | 1.12 1 | 1.41 3 | 2 6 | 3.16 10 | 5.62 15 | 10.0 20 | 17.8 25 | 31.6 30 | 56.2 35 | 70.8 37 | 100 40 | ||||
| Кu Кu(дБ) | 178 45 | 200 46 | 251 48 | 316 50 | 562 55 | 1000 60 | 1780 65 | 2000 66 | 3160 70 | 3980 72 | 5620 75 | ||||
| Кu Кu(дБ) | 6310 76 | 7940 78 | 8910 79 | 10000 80 | 100000 100 | 1000000 120 | 10000000 140 | 
 | |||||||
Примечание . Если нужно перевести безразмерные Кр в коэффициенты усиления мощности, выраженные в децибелах Кр (дБ), то указанные в таблице числа в децибелах Кu(дБ) следует разделить на два. 2. Если необходимо выразить не усиление, а ослабление сигнала, когда Uвых < Uвх в указанное в таблице число раз, то перед найденным числом децибел нужно обязательно поставить знак минус ( - ), который означает, на сколько децибел ослаблен сигнал.
Если коэффициент усиления каждого каскада выражен в децибелах, то общий коэффициент усиления усилителя будет равен сумме коэффициентов усиления всех каскадов:
К (дБ) = К1 (дБ) + К2 (дБ) + . . . + Кn (дБ) .
Человеческий слуховой анализатор может различать изменение уровня звукового сигнала около 1 дБ. Болевое ощущение вызывает верхний уровень звука, соответствующий 140 дБ.
5. Коэффициент полезного действия , характеризующий экономичность усилителя:
а) электрический КПД
hэ = Рвых / Ро × 100% ;
б) промышленный КПД с учетом всех потерь в цепях усилителя
hп = Рвых / ( Ро + Рпотерь ) × 100%,
где Rвых = 0,5 * I2m вых * Rн - полезная мощность, выделяемая в нагрузке;
Ро - мощность, потребляемая в выходной цепи усилителя;
Рпотерь - мощность, расходуемая на накал ламп и во вспомогательных цепях усилителя.
6. Допустимый коэффициент частотных искажений для каждого каскада в области нижних Мн и верхних Мв частот, равный отношению коэффициента усиления в области средних частот Кср к коэффициенту усиления каскада в области нижних и верхних частот (Кн и Кв), принимают равным
         Мн = Мв = Кср / Кн = Кср / Кв =
          , что соответствует 3 дБ.
         , что соответствует 3 дБ.
        
В многокаскадных усилителях общий коэффициент частотных искажений как в области нижних, так и в области верхних частот равен Мус = = М1 * М2 ... Мn, где n - число каскадов. В усилителях с реостатно-емкостной связью коэффициенты частотных искажений можно определить как для нижней граничной частоты, так и для верхней граничной частоты:
          
        
          
        
         Мв = Кср / Кв =
          ... ламповый вариант;
         ... ламповый вариант;
        
         Мв = Кср / Кв =
          ... транзисторный вариант.
         ... транзисторный вариант.
        
Если принять допустимый коэффициент частотных искажений в пределах 1,05 ... 1,41, то соответствующие граничные частоты будут находиться в пределах
         fн гр =
          
        
         fв гр =
          
        
где для лампового усилителя tн = Сразд * Rс;
tв = Свх Rэкв; Rэкв = Rа || Ri || Rc;
аналогично, с учетом особенностей транзисторных схем, можно для них определить постоянные времени в области нижних и верхних граничных частот.
7. Коэффициент нелинейных искажений оценивается величиной
          
        
Нелинейные искажения характеризуют степень искажения формы усиленного выходного напряжения (или тока) по сравнению с формой входного сигнала. Появление нелинейных искажений полезного сигнала объясняется нелинейностью вольт-амперных характеристик усилительных ламп или транзисторов при работе с большой амплитудой усиливаемого сигнала. Это явление наглядно показано на амплитудной характеристике, выражающей линейную зависимость выходного напряжения при малых амплитудах входного сигнала и нарушение линейности с увеличением амплитуды входного усиливаемого сигнала. Это явление приводит к появлению в выходном сигнале высших гармоник, которых не было во входном сигнале.
В усилителях звуковой частоты (от 20 Гц до 16 кГц) нелинейные искажения проявляются в появлении хрипов и нечеткого, неразборчивого звуковоспроизведения. Допустимый коэффициент нелинейных искажений в таких усилителях не более 4-х % , а в усилителях телефонной связи не более 15-ти %.
8. Общий угол сдвига фаз между выходным и входным напряжениями многокаскадного усилителя как в области нижних, так и в области верхних частот равенj = j1 + j2 + ... + jn.
9. Коэффициент шума и внешних помех усилителя , связанный с внутренними флуктуационными процессами движения носителей зарядов в активных и пассивных элементах, входящих в электрические цепи усилителей, а также вследствие пульсаций питающего напряжения и наводки электромагнитных полей от внешних источников. Наибольшее влияние оказывают шумы и помехи, возникающие в первом каскаде усилителя, так как они усиливаются далее всеми последующими каскадами усилителя.
Наличие шумовых и внешних помех видно на амплитудной характеристике, которая начинается выше нулевого значения при отсутствии входного сигнала, то есть Uвых > 0 при Uвх = 0.
Наличие внутренних шумовых помех определяет пороговую чувствительность усилительного устройства, соответствующую минимальному напряжению входного сигнала, при котором выходное напряжение полезного сигнала равно выходному напряжению усилителя, возникающему от внутренних шумов.
В качестве примера на рисунке приведены две принципиальные электрические схемы многокаскадных усилителей: на биполярных транзисторах (а) и на полевых транзисторах (в).
В этих схемах усилителей в качестве первого входного каскада включен эмиттерный (катодный, истоковый) повторитель, который обеспечивает согласование высокоомного датчика сигнала со входным сопротивлением усилителя. Такой каскад, не усиливая входной сигнал по напряжению, усиливает его по току и мощности.
Все остальные каскады собираются по схеме с общим эмиттером (общим катодом, общим истоком), давая усиление и по току и по напряжению (транзисторный вариант), и в основном по напряжению (ламповый вариант).
Последний двухтактный каскад УМ (транзисторный вариант) и однотактный каскад УМ на лучевом тетроде (и полевом транзисторе) обеспечивают усиление сигнала по мощности, отдаваемой в нагрузку.
          
        
          
        
         Рис 8. Две схемы многокаскадных усилителей;
         
         а - на биполярных транзисторах;  в- на полевых транзисторах с и-каналом
        
         
         
        
1.9.6. Регулируемые усилители.
В регулируемых усилителях имеется возможность управления коэффициентом усиления (уровнем выходного сигнала) с целью предотвращения перегрузки оконечного устройства (или выходных каскадов УУ), создание комфортных условий прослушивания аудиопрограмм (в усилителях звуковых частот), калибровки измерительных усилителей и т.д. Регулировка может быть ручной или автоматической, плавной или ступенчатой. Регулировка усиления может осуществляться как специальными цепями, включаемыми в схему усилителя, так и отдельными устройствами, называемыми аттенюаторами. Аттенюаторы, в свою очередь, могут как встраиваться в усилитель, так и подключаться к его входу. Выполняются аттенюаторы как на пассивных элементах, так и на активных.
Эффективность регулировки оценивается ее глубиной Dр — отношением коэффициентов усиления, соответствующих двум крайних положением регулятора. Глубину регулировки часто выражают в децибелах.
При решении вопроса о месте постановки регулятора в многокаскадный усилитель следует учитывать то обстоятельство, что помимо коэффициента усиления регулирующая цепь может менять и другие параметры усилительных каскадов, например, Rвх . Поэтому регулировку не рекомендуется вводить во входной каскад усилителя, поскольку это скажется на входном сопротивлении усилителя в целом. Постановка регулятора в выходной каскад может привести к перегрузке промежуточных каскадов, т.е. наиболее целесообразно вводить регулировку в один из промежуточных каскадов. Не рекомендуется вводить регулировку в петлю общей ООС из-за снижения ее эффективности.
Чаще всего в усилителях звуковых частот применяется потенциометрическая схема регулировки усиления, осуществляемая включением регулирующего переменного резистора Rр по схеме потенциометра, который изменяет коэффициент деления поданного на него напряжения.
          
        
Рис 9. Потенциометрический регулятор усиления.
При малых громкостях человеческое ухо хуже воспринимает звуки низких и высоких частот. Поэтому в усилителях звуковых частот применяют так называемый тонкомпенсированный регулятор. На рисунке тонкомпенсирующие цепи образованы элементами R1C1C2. При малых уровнях громкости за счет цепи R1C1 происходит завал АЧХ в областях СЧ и ВЧ, с помощью конденсатора C2 на ВЧ этот завал компенсируется, в результате АЧХ имеет вид, показанный на рисунке.
Потенциометрический регулятор обеспечивает глубину плавной регулировки не более 40дБ, для получения большей глубины регулировки возможно последовательное включение нескольких подобных регуляторов.
Плавную регулировку усиления глубиной до 20дБ можно осуществить введением в каскад с ОЭ (ОИ) ПООСТ путем включения регулировочного резистора Rр в цепь эмиттера (истока) как показано на рисунке.
          
        
Рис 10. Регулировка введением ООС.
Величину регулировочного резистора можно определить из соотношения:
Rр = ( Dр – 1)/ S 0,
где S 0 — крутизна усилительного элемента (БТ или ПТ), Dр — в относительных единицах.
Глубина регулировки такого типа регуляторов ограничивается действием паразитной емкости, шунтирующей резистор Rр, приводящей к шунтированию регулировочного резистора в потенциометрическом регуляторе в области ВЧ, и подъему АЧХ в области ВЧ (выброса ПХ в области МВ) за счет перекоррекции (см. подраздел 2.13) в регуляторе с помощью введения ПООСТ.
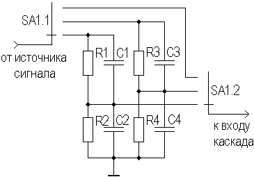
Ступенчатые регуляторы представляют собой делители напряжения, состоящие из резисторов.
          
        
Рис 11. Компенсированный ступенчатый регулятор.
Из-за входной емкости каскада, следующего за делителем, коэффициент передачи резисторного делителя зависит от частоты. Для устранения частотной зависимости все резисторы делителей шунтируются подстроечными конденсаторами, емкость которых определяется из условия равенства постоянных времени плеч делителя, например R 1 C 1= R 2 C 2, причем C 2 выбирается с учетом входной емкости следующего каскада, в качестве C 2 может выступать входная емкость каскада без дополнительного конденсатора, однако в этом случае влияние изменения Cвх будет сказываться сильнее.
Если усилитель предназначен для работы в согласованном тракте передачи (т.е. Rвх = Rг = R 0, где R 0 — характеристическое сопротивление тракта передачи), то ступенчатый регулятор целесообразно выполнить на основе симметричных аттенюаторов Т- и П-типов [11] (рисунок 7.4а,б).
          
        
Рис 12. Т- и П-образные симметричные аттенюаторы
Для П-образной схемы аттенюатора номиналы элементов определяются из следующих соотношений:
          
        
Рис 13. Номиналы Т-образной схемы аттенюатора определяются следующим образом:
          
        
Рис 14. Практическая схема ступенчатого регулятора на 18 дБ для 75-омного тракта передачи, работающего в диапазоне рабочих частот (0…150)МГц, приведена на рисунке.
          
        
Рис 15. Ступенчатый аттенюатор.
Схема построена на основе одинаковых П-образных звеньев с затуханием в шесть децибел. В зависимости от положения переключателей SA1-SA3 данный регулятор обеспечивает затухание от 0 до 18 дБ с шагом 6 дБ.
Подобный регулятор обычно располагают между источником сигнала и входом усилителя. В связи с тем, что входное и выходное сопротивления данного регулятора не зависят от уровня вносимого затухания, величина частотных и временных искажений, создаваемых входной цепью, также остается постоянной при разных уровнях затухания.
В усилительных устройствах, применяемых в современной аудио- и видеоаппаратуре, широко применяются электронные регуляторы, позволяющие вручную или автоматически изменять коэффициент передачи тракта по закону, определяемому функцией управления.
В электронных регуляторах потенциометрического типа в качестве управляемых сопротивлений используются диоды, фотосопротивления, БТ и ПТ.
          
        
Рис 16. Электронные аттенюаторы потенциометрического типа.
В диодном потенциометрическом регуляторе (а) в качестве управляемых сопротивлений используются диоды VD1 и VD2, управляемые прямым током. Диапазон регулирования диодных аттенюаторов достигает 40дБ при токах регулирования (0…2.2)мА. Диодным регуляторам свойственны существенные недостатки:
- отсутствие развязки цепей управления и сигнала;
- значительная мощность, потребляемая цепью управления;
- существенные нелинейные искажения сигнала при большом затухании.
Подобными свойствами обладает и аттенюатор на БТ (б), т.к. переходы транзистора выполняют функции диодов.
Электронный регулятор на основе оптрона (в) обеспечивает практически идеальную развязку цепей управления и сигнала, но требует затраты значительной мощности в цепи управления светодиодом.
По совокупности свойств наилучшими показателями обладает регулятор на основе ПТ (г), используемого в качестве управляемого сопротивления. Цепь управления практически не потребляет мощности ввиду практического отсутствия тока затвора у ПТ. Поскольку в цепи сигнала нет p-n переходов, а имеется лишь омическое сопротивление, то нелинейные искажения, вносимые подобным аттенюатором, минимальны. В отличие от ранее рассмотренных схем регуляторов, данная схема позволяет работать без постоянной составляющей в выходной цепи.
Регулировку коэффициента передачи усилительных каскадов можно осуществить путем изменения режима работы усилительных элементов, поскольку в этом случае изменяются их эквивалентные параметры, в частности, крутизна S 0 . На рисунке показано, как осуществляется такая регулировка в каскаде на БТ (а), каскаде на ПТ (б) и в дифференциальном усилителе (в). Регулируемый каскад на основе ДУ позволяет достичь глубины регулировки порядка (60…70)дБ при повышенной термостабильности Dр .
          
        
Рис 17. Регуляторы с изменением режима работы элементов.
Перспективным является способ регулировки на основе ИМС перемножителя (г). Интегральные перемножители реализуют функцию
UZ = KUXUY ,
где K — масштабный коэффициент.
Регуляторы на основе перемножителей способны осуществлять регулировку напряжения с амплитудой порядка десятков вольт и точностью порядка 1%, однако сама ИМС перемножителя имеет достаточно сложное схемное решение.
Возможно включение электронного регулятора в цепь ООС. Примером подобного решения может служить регулятор на основе ОУ, в цепь ООС которого включен ПТ, используемый в качестве управляемого сопротивления.
          
        
Рис 18. Регулятор на основе ОУ.
Напряжение управления Eупр в рассмотренных электронных регуляторах можно менять в необходимых пределах с помощью переменного резистора, который может быть установлен в удобном для эксплуатации месте, например, на передней панели корпуса прибора. Из-за развязки цепи управления и цепи сигнала влияние соединительных проводников будет минимальным.
Напряжение управления Eупр может быть получено с выхода детектора, если используется автоматическая регулировка усиления (АРУ).
1.9.7. Усилитель – ограничитель
Усилители с ограниченным размахом выходного напряжения используются в формирователях сигналов, цепях защиты, устройствах управления и контроля и т. д.
Если ограничение не вызвано самим ОУ, то основными элементами усилителей – ограничителей на ОУ являются цепи с диодами или стабилитронами, включенные в отрицательную обратную связь усилителя.
Можно считать, что получение амплитудных характеристик в виде согласованного набора прямолинейных отрезков открывает путь формирования произвольной нелинейной зависимости между входным и выходным напряжениями за счет использования кусочно-линейной аппроксимации требуемой нелинейной функции.
В качестве примера рассмотрим схему простейшего усилителя – ограничителя. В этой схеме стабилитрон открывается, когда падение напряжения на резисторе в цепи обратной связи становится равным напряжению стабилизации, и в дальнейшем выходное напряжение не изменяется, несмотря на изменения входного напряжения.
          
        
Рис 19. Усилитель-ограничитель с постоянными уровнями ограничения
Если открывается полупроводниковый диод, то выходное напряжение также практически стабилизируется на уровне около 0,7V даже при изменениях входного напряжения.
Аналогично, при прямых напряжениях на диоде, меньших приблизительно 0,6V и тем более при обратном его включении, диод закрыт. В указанных выше ситуациях усиление схемы определяется сопротивлениями резисторов R12 и R15, стоящими в цепи обратной связи.
Такой усилитель – ограничитель характеризуется приведенной на рисунке амплитудной характеристикой, в первом приближении имеющей три прямолинейных участка, формирующей выходное напряжение с несимметричными уровнями ограничения.
          
        
Рис 20. Амплитудная характеристика и временные диаграммы напряжений усилителя – ограничителя.
         
         
        
1.9.8. Усилители с логарифмической амплитудной характеристикой (ЛАХ).
Логарифмические усилители с непрерывным детектированием сигнала . Логарифмическая амплитудная характеристика ( ЛАХ ) в усилителях с непрерывным детектированием сигнала обеспечивается благодаря работе нескольких линейных усилителей с ограничением в различных участках динамического диапазона сигнала. Принцип получения ЛАХ заключается в том, что отдельные параллельно включенные линейные усилители многоканальной цепи с коэффициентами усиления, отличающимися в К i раз, при увеличении уровня входного сигнала поочередно переходят в режим ограничения, начиная с усилителя, который имеет наибольший коэффициент усиления. Ширина полосы пропускания и частота настройки каждого усилителя одинаковы и принципиально не зависят от изменений уровня входного сигнала.
Усиливаемое высокочастотное колебание одновременно поступает на входы всех усилителей. Соответственно напряжения с выхода каждого канала поступают на суммирующее устройство, где происходит их синфазное сложение. Если благодаря надлежащему подбору коэффициентов усиления и порогов ограничения в каждом канале для любого уровня входного сигнала по крайней мере один усилитель еще не вступил в режим ограничения, то форма амплитудной характеристики может быть приближена к идеальному логарифмическому закону практически в любой степени. Метод непрерывного детектирования обеспечивает наибольший динамический диапазон по входным сигналам по сравнению с другими методами логарифмирования.
Построение логарифмирующего устройства в соответствии со структурной схемой ( см.рис. ниже ) связано с трудностями в конструировании, изготовлении и настройке.
Структурная схема логарифмирующего устройства, выполненного в виде многоканального соединения линейных усилителей с ограничением
          
        
Рис 21.
По этой причине распространена более простая модификация многоканального узла, основанная на многократном использовании линейных усилителей. Структурная схема такого логарифмического усилителя изображена ниже .
Структурная схема логарифмического усилителя с последовательным детектированием и суммированием напряжений, снимаемых с выхода каждого каскада
          
        
Рис 22.
Как видно, каждый канал ( за исключением канала, обладающего минимальным усилением ) включает в себя один или несколько каналов с меньшими коэффициентами усиления. Разница в коэффициентах усиления отдельных каналов обусловлена различным числом каскадов в последних и равна для смежных каналов коэффициенту усиления каскада К i ( все каскады полагаются идентичными ). После каждого каскада включены двусторонний ограничитель по максимуму и детектор. С выхода каждого каскада продетектированные сигналы поступают в устройство временной задержки ( обычно искусственная линия задержки ) и далее в сумматор.
Иногда отсутствуют специальные ограничители по максимуму, а в качестве них используются сами усилительные приборы, обладающие существенной нелинейностью статических характеристик. Из-за нелинейности статических характеристик усилительных приборов можно отказаться также от применения отдельных детекторов и использовать эффект детектирования, наблюдающийся в усилительном приборе при поступлении на его входной электрод сигналов значительного уровня.
Такой принцип построения логарифмических усилителей имеет основным своим достоинством многократное использование усилительного прибора, но в то же время характеризуется наличием паразитных обратных связей, что приводит к неустойчивой работе и вынуждает производить тщательный подбор параметров схемных элементов. Кроме того, трудно выбрать усилительный прибор, одинаково хорошо выполняющий все указанные функции.
 
         
        
         